- Mô tả sản phẩm
- Chính sách bảo hành
- Chính sách đổi trả
Vòi rửa chén cảm biến là gì?
Vòi rửa chén cảm ứng hay còn được gọi là vòi bếp thông minh, là một thiết bị được lắp đặt trên bồn rửa chén ở phòng bếp, được cài đặt cảm biến tiện lợi cho người sử dụng khi không cần phần cần gạt tay mà nước vẫn có thể chảy ra để bạn sử dụng, dòng thiết bị này có hai loại là vòi cảm ứng chạm tay và vòi cảm ứng không cần chạm tay.
Nguyên tắc hoạt động của vòi cảm biến:
Loại vòi cảm ứng chạm tay được hoạt động với nguyên tắc là khi bạn chạm tay vào thiết bị, van nước sẽ tự động mở ra và đóng lại khi bạn chạm vào lần hai, hoạt động tương tự như cảm biến vân tay của điện thoại trên phần thân của vòi nước.
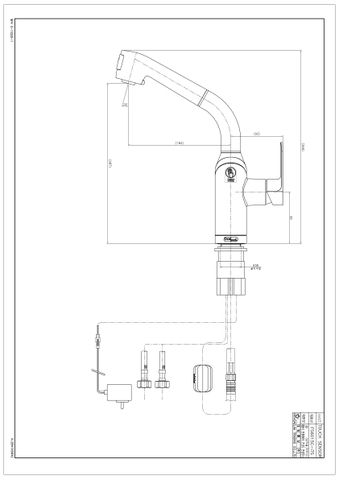
Thông số kỹ thuật:
Vòi rửa chén cảm biến
Chất liệu: Đồng hợp kim mạ crom
Kích thước lỗ: Ø38 - 40 (mm)
Bản vẽ kỹ thuật:

CHÍNH SÁCH BẢO HÀNH
Hình thức bảo hành
Sản phẩm Dobidos cung cấp cho khách hàng được bảo hành 100% từ nhà sản xuất hoặc Đơn vị đại diện phân phối tại thị trường Việt Nam.
Thời gian bảo hành sản phẩm
●Phần sứ: 10 năm
●Phần điện tử: 2 năm
●Vòi chậu, sen tắm: 1 năm
(Bảo hành được áp dụng dựa trên ngày xuất kho của Dobidos ghi trên phiếu bảo hành hoặc ngày xuất hóa đơn VAT)
Các trường hợp được bảo hành
- Sản phẩm có Phiếu Bảo Hành và được ghi đầy đủ thông tin hoặc hóa đơn VAT mua hàng.
- Sản phẩm có lỗi hư hỏng do vận chuyển hoặc lỗi do Nhà sản xuất.
Trường hợp không được bảo hành
Việc bảo hành các sản phẩm theo quy định tại Hợp đồng này sẽ không được áp dụng thực hiện đối với các trường hợp, hạng mục sau đây:
- Không có hoặc bị mất Phiếu Bảo Hành/Hóa đơn mua hàng, phiếu không còn nguyên vẹn, bị tách rời, tẩy xóa. Không điền đầy đủ các thông tin ở mặt trước của Phiếu Bảo Hành.
- Các lỗi hư hỏng do lắp đặt, khách hàng tự ý tháo ra để chỉnh sửa, tai nạn, sử dụng sai mục đích, không được bảo trì đầy đủ hay do các chi tiết đã được thay thế bởi sản phẩm/phụ kiện không do Dobidos cung cấp, bất kể là do thợ thi công, công ty dịch vụ, gia chủ hay ai khác gây ra mà không thông qua hay không được sự đồng ý của Nhà sản xuất hay đại diện được ủy quyền của Nhà sản xuất.
- Hư hỏng do việc lắp đặt và sử dụng sản phẩm trong môi trường có yếu tố gây ăn mòn (ăn mòn do môi trường kiềm, muối, axit).
- Các bộ phận thường xuyên phải thay thế do lão hóa, ăn mòn theo thời gian sử dụng như pin, gioăng, vòng đệm, lưới lọc…
- Lỗi ngoại quan phát sinh như xước, giảm độ bóng, mòn… do đã qua sử dụng.
- Những lỗi phát sinh do sử dụng nguồn nước có chất lượng không đạt theo tiêu chuẩn của Việt Nam về nước sinh hoạt.
- Hư hỏng do thiên tai, cháy nổ (do lửa, gas, động đất, lũ lụt, sét đánh…)
- Sản phẩm bị hư hỏng do vận chuyển, bị rơi vỡ hoặc do ngoại lực tác động.
- Sử dụng không đúng theo những chỉ dẫn trong bảng hướng dẫn sử dụng sản phẩm và tài liệu được nhà sản xuất cung cấp.
- Sản phẩm đã hết hạn bảo hành.
- Sản phẩm sứ, bồn cầu hư hỏng hoặc không hoạt động do lắp đặt sai hoặc sơ suất sau khi mua và sử dụng gồm có:
●Không có hệ thống thoát phù hợp, lắp ráp không đúng chỉ dẫn đã cung cấp.
●Không có hệ thống thông hơi phù hợp, vô tình hoặc cố ý làm rơi vật lạ làm tắc nghẽn đường thoát.
- Hư hỏng đối với các sản phẩm điện, điện tử không tuân theo các thông số hoạt động của sản phẩm (ví dụ: điện thế nguồn, tần số, lắp đặt, bảo dưỡng, độ ổn định của nguồn,… không phù hợp)
- Sen vòi có lớp xi mạ hoặc men phủ bên ngoài bị trầy hoặc ố, có vết ăn mòn do cọ xát bằng vật cứng, có vết sử dụng giẻ lau chùi không phù hợp, sử dụng các loại chất tẩy rửa hay hóa chất ăn mòn, sản phẩm lắp ráp gần hoặc được sử dụng trong môi trường ẩm, acid, kiềm hoặc bụi bặm…
- Thay thế linh kiện, phụ kiện sau khi mua mà không do Nhà sản xuất cung cấp hoặc bên được chỉ định.
- Các sản phẩm có nhãn hiệu Dobidos Korea Bath nhưng không rõ xuất xứ hoặc được nhập khẩu mà không thông qua đại diện ủy quyền của Nhà sản xuất.
Quy trình bảo hành
Bước 1: Khách hàng gửi thông tin lỗi sản phẩm theo mẫu Giấy xác nhận tình trạng có kèm ảnh chụp và video, thông tin Phiếu bảo hành
Bước 2: Sau khi nhận thông tin từ khách hàng , Dobidos tiến hành đánh giá lỗi sản phẩm.
Bước 3: Trong vòng 24 giờ kể từ thời điểm nhận được thông tin từ khách hàng , Dobidos xác nhận bằng văn bản hoặc email cho khách hàng trường hợp đáp ứng/không đáp ứng đủ điều kiện bảo hành. (Thời gian không bao gồm ngày lễ Việt Nam và Hàn Quốc/Trung Quốc )
Bước 4: Thực hiện bảo hành: Dobidos Bảo hành theo cơ chế nhà sản xuất. Trường hợp khách hàng bảo hành, Bên A cung cấp linh phụ kiện và kinh phí để khách hàng thực hiện quy trình bảo hành cho khách hàng.
Thời gian cung cấp linh kiện thay thế:
- Đối với linh kiện có sẵn tại kho Hà Nội : Dobidos cung cấp linh kiện thay thế phù hợp cho khách hàng trong vòng 24 - 48 giờ đồng hồ kể từ khi khách hàng xác định lỗi do Nhà sản xuất (với các dự án tỉnh sẽ trao đổi và thống nhất thời gian cụ thể)
- Đối với linh kiện phát sinh, phải nhập thêm từ Nhà sản xuất tại Hàn Quốc/ Trung Quốc: Dobidos cung cấp linh kiện thay thế phù hợp cho khách hàng trong vòng 15 - 60 ngày kể từ khi khách hàng xác định lỗi do Nhà sản xuất.
Chúng tôi cũng rất sẵn lòng lắng nghe các góp ý và yêu cầu của quý khách hàng.
Quý khách có thể liên hệ số: 0937 329 966 (giờ hành chính) để đóng góp ý kiến của quý khách về sản phẩm và dịch vụ của chúng tôi
Xin trân trọng cảm ơn!
CHÍNH SÁCH ĐỔI TRẢ
Thời gian đổi sản phẩm
- Đối với hàng có sẵn tại kho của Dobidos: Thời gian từ 48 giờ kể từ khi Dobidos xác nhận lỗi sản phẩm thuộc trường hợp đổi - trả sản phẩm (với các dự án tỉnh sẽ trao đổi và thống nhất thời gian cụ thể).
- Đối với hàng không có sẵn tại kho : Thời gian từ 15 - 60 ngày kể từ ngày Dobidos thông báo xác nhận lỗi.
(Không bao gồm thứ 7, chủ nhật, ngày nghỉ lễ tại Việt Nam và Hàn Quốc/Trung Quốc,..)
Thời gian nhận trả sản phẩm
Dobidos tiến hành nhận sản phẩm trả lại và trả lại tiền hàng cho khách hàng trong vòng 7 ngày kể từ ngày xác nhận lỗi sản phẩm thuộc trường hợp trả sản phẩm
Trường hợp đổi - trả sản phẩm
Trường hợp đổi sản phẩm
- Sản phẩm được xác định lỗi kỹ thuật bởi Nhà sản xuất mà không sửa chữa được.
- Lỗi giao hàng từ Nhà sản xuất hoặc do Dobidos mà không sửa chữa được.
Trường hợp trả sản phẩm
- Trong trường hợp sản phẩm có lỗi thuộc trường hợp đổi sản phẩm, sản phẩm vẫn trong thời gian bảo hành, Nhà sản xuất đã dừng sản xuất sản phẩm cần đổi, Dobidos sẽ tiến hành quy trình trả sản phẩm.
Điều kiện đổi - trả sản phẩm
- Sản phẩm nhận lại không bị lỗi bên ngoài (trầy xước, vỡ, móp méo, ố vàng,…)
- Sản phẩm khi nhận lại phải có đầy đủ các chứng từ kèm theo (chứng từ mua hàng, hóa đơn VAT (nếu có), phiếu bảo hành, sách hướng dẫn, catalogue…)
- Thời gian đổi - trả sản phẩm phải giải quyết trong giờ hành chính.
Quy trình xử lý thủ tục đổi - trả sản phẩm
Bước 1: Khách hàng gửi thông tin lỗi sản phẩm theo mẫu Giấy xác nhận tình trạng có kèm ảnh chụp và video, thông tin Phiếu bảo hành
Bước 2: Sau khi nhận thông tin từ Khách hàng , Dobidos tiến hành đánh giá lỗi sản phẩm.
Bước 3: Trong vòng 24 giờ kể từ thời điểm nhận được thông tin từ khách hàng , Dobidos xác nhận bằng văn bản hoặc email cho khách hàng trường hợp đáp ứng/không đáp ứng đủ điều kiện đổi - trả. (Thời gian không bao gồm ngày nghỉ lễ tại Việt Nam và Hàn Quốc/ Trung Quốc)
Bước 4: Lỗi được Dobidos xác định đáp ứng đủ điều kiện đổi - trả sản phẩm, Dobidos tiến hành thủ tục đổi - trả sản phẩm cho khách hàng theo thời gian quy định
Chúng tôi rất vui vì quý khách hàng đã tin cậy sử dụng sản phẩm của dobidos.com.vn
Chúng tôi cũng rất sẵn lòng lắng nghe các góp ý và yêu cầu của quý khách hàng.
Quý khách có thể liên hệ số: 0937 329 966 (giờ hành chính) để đóng góp ý kiến của quý khách về sản phẩm và dịch vụ của chúng tôi
Xin trân trọng cảm ơn!
Chính sách
Miễn phí
Giao hàng tận chân công trình
Đảm bảo
Hàng chính hãng 100%
Hỗ trợ 24/7
Chăm sóc khách hàng uy tín
Tư vấn bán hàng
0937329966